JD-5S/JD-5C智能電動機過載缺相保護器使用說明書(定時限)
一、產品概述
JD-5S/JD-5C電動機過載缺相保護器是是傳統熱繼電器的升級換代產品,采用數字處理技術,高亮度LED顯示,通過內置的電流互感器檢測電動機的三相負載電流,可以顯示電機電流并根據電流判斷是否存在過載、缺相等故障。當電動機發生故障時,內部繼電器觸點斷開,切斷電動機電源。

二、主要技術指標
| 指 標 | 規 格 | |
| JD-5S | JD-5C | |
| 整定電流范圍 | 5~80A | 0.5~10A |
| 過載動作時間 | 1~99秒可設 | |
| 電源電壓 | 220V或380V (以產品標簽為準),其他電壓可定制 | |
三、操作指南
長按“設定”鍵2秒, “電流”燈亮,用“ 5 ”或“ 6 ”鍵改變設定值(按住“ 5 ”或“ 6 ”鍵不放可連發),設置好后按“設定”鍵,可以繼續設定動作時間,設定好后按“設定”鍵保存并退出。
發生故障告警時,LED小燈會顯示故障原因是過載還是缺相,此時繼電器斷開,并且鎖定在斷開狀態。這時只要按“ 5 ”或“ 6 ”鍵即可從保護鎖定狀態恢復,也可給保護器重新上電來恢復。
四、基本工作原理
JD-5S/JD-5C電動機過載缺相保護器 通過內置的電流互感器來檢測三相負載電流,所以被保護電動機的三根相線必須分別穿過電流互感器的三個小孔。
當負載電流超過整定電流,并且持續時間達到設定的過載動作時間時,繼電器斷開,切斷電動機電源。
為防止電機啟動時產生誤動作,本產品具有智能啟動識別功能,當識別到電動機處于啟動狀態時,過載動作時間加倍,化學教育中心。
發生缺相故障時,繼電器斷開,切斷電動機電源。為防止空載和小電流時誤動作,電流小于2A時關閉缺相檢測。
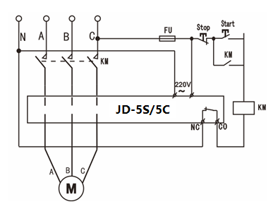
五、接線與安裝

保護器在斷電狀態下,NC與CO是通的。通電后,電動機工作正常時保持接通,當檢測到電動機出現故障時,繼電器斷開,切斷電動機電源。
